Placing footings on slopes is one of the more challenging foundation obstacles when building in both urban and rural Utah. On paper, a poured concrete footing looks simple, in reality, the slope of the ground can leave many quality details up to the contractor. Sloped earth construction means soil movement,…
Commonly when helping a home owner or customer understand helical piers, the question of how a helical pier is attached to your structure gets asked. Installing a helical pier into the ground is only half the job. A deep foundation is only as strong as the connection to the structure.…
Helical Piers Near Foundations Are a Late-Stage Reality Every experienced builder knows this rule, even if it gets ignored under pressure: foundations should never bear on excavated backfill. Footings belong on native, undisturbed soil; without compromise. Yet late in the construction process, that rule gets tested. This is where helical…
If you’re building a home or commercial building, the details of the concrete footings are easily overlooked until something goes wrong. Unfortunate, because the problems don’t arise until after its too late, and concrete footing design is one of the most important parts of any structure. Some say wisemen build…
When you’re working with helical piers for your deck, foundation settlement, or new construction here in Utah, a qualified and trained contractor is often the smart and reliable solution. At Utah Screw Pile, we’ve worked across the Wasatch Front and beyond, navigating everything from clay-rich valleys to frost-heave prone ground.…
If you’ve ever wondered when helical piers are needed in construction, the answer often starts beneath your feet. Utah’s soils can range from dense gravel in Ogden to soft clay and loam in Saratoga Springs or Draper. While traditional concrete footings work well in stable soil, helical piers provide a…
When it comes to protecting your home, nothing is more important than a stable foundation. Yet many Utah homeowners miss the early warning signs that their foundation needs immediate stabilization. With the immense amount of building, Utah has one of the lowest average age of single family homes at only…
Helical Pier Best Practices in Utah Helical Pier Best Practices in Utah are about more than drilling a short, shallow hole. A foundation only performs when piers are installed to the correct torque and depth. At Utah Screw Pile, we rarely bid less than 10 feet, because most helical pier…
When it comes to building on Utah’s unpredictable soils, future-you can’t afford to cut corners. Shifting clays, collapsible sands, and high water tables common across the Wasatch Front can make or break your project. That’s why Utah Screw Pile is built for tough foundations. We’ve earned our reputation by providing…
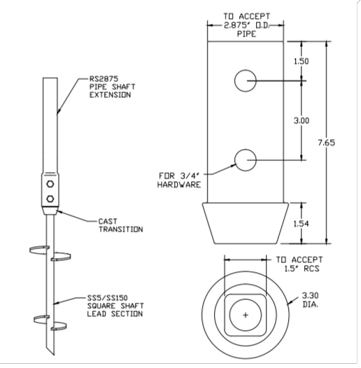
When to Choose CHANCE® Combo Piles for Soft Soils and Hard Rock Choosing the right foundation is crucial, especially in poor soil or when supporting heavy loads. CHANCE® Combo Piles offer a hybrid solution that combines square-shaft leads with round-shaft extensions. This design improves lateral strength while cutting through rock…
How Utah Screw Pile Ensures Integrity and Accuracy When it comes to installing helical piles, precision matters. The deep foundation elements of your project are not easy to double check; which is why choosing the right helical pier contractor is an important step in your deep foundation build. The torque…
When to Use CHANCE® Helical Underpinning: A Guide for Foundation Stabilization Foundation stability is the cornerstone of any safe and secure structure. Over time, shifting soils, water intrusion, or improper initial construction can lead to foundation settlement. Helical underpinning with CHANCE® systems offers an innovative and effective solution for stabilizing…
Protecting Your Structure—and the Environment When it comes to ensuring the longevity and reliability of deep foundation systems, hot-dip galvanized helical piles in Utah play a crucial role. CHANCE® Helical Piles, known for their structural integrity and long history in the US, are further enhanced by this protective coating, offering…
When constructing homes, commercial buildings, or infrastructure, ensuring a strong foundation is essential. Load-bearing foundations in Utah face unique challenges due to the state’s varying soil conditions, including sandy, clay-rich, and expansive soils. Utah Screw Pile & Helical Pier provides an innovative solution with CHANCE® Helical Piles, which offer superior…
Why Utah Screw Pile & Helical Pier Stands Apart in an Industry Full of Shortcuts The installation of helical piles is a precise process requiring expertise, certifications, and adherence to proven industry standards. Unfortunately, in today’s competitive market, shortcuts are all too common. Some companies prioritize speed over safety, cost-cutting…
When it comes to constructing sturdy and reliable deep foundation systems, CHANCE® Helical Piles stand out as an exceptional solution. These innovative piles are designed to adapt to a wide range of geological conditions, making them an excellent choice for Utah’s diverse terrain and beyond. The Versatility of CHANCE® Helical…